• ClipSaver
  • dtub.ru
ClipSaver
Русские видео
  • Смешные видео
  • Приколы
  • Обзоры
  • Новости
  • Тесты
  • Спорт
  • Любовь
  • Музыка
  • Разное
Сейчас в тренде
  • Фейгин лайф
  • Три кота
  • Самвел адамян
  • А4 ютуб
  • скачать бит
  • гитара с нуля
Иностранные видео
  • Funny Babies
  • Funny Sports
  • Funny Animals
  • Funny Pranks
  • Funny Magic
  • Funny Vines
  • Funny Virals
  • Funny K-Pop

Control cilindro multiposición скачать в хорошем качестве

Control cilindro multiposición 9 лет назад

скачать видео

скачать mp3

скачать mp4

поделиться

телефон с камерой

телефон с видео

бесплатно

загрузить,

Не удается загрузить Youtube-плеер. Проверьте блокировку Youtube в вашей сети.
Повторяем попытку...
Control cilindro multiposición
  • Поделиться ВК
  • Поделиться в ОК
  •  
  •  


Скачать видео с ютуб по ссылке или смотреть без блокировок на сайте: Control cilindro multiposición в качестве 4k

У нас вы можете посмотреть бесплатно Control cilindro multiposición или скачать в максимальном доступном качестве, видео которое было загружено на ютуб. Для загрузки выберите вариант из формы ниже:

  • Информация по загрузке:

Скачать mp3 с ютуба отдельным файлом. Бесплатный рингтон Control cilindro multiposición в формате MP3:


Если кнопки скачивания не загрузились НАЖМИТЕ ЗДЕСЬ или обновите страницу
Если возникают проблемы со скачиванием видео, пожалуйста напишите в поддержку по адресу внизу страницы.
Спасибо за использование сервиса ClipSaver.ru



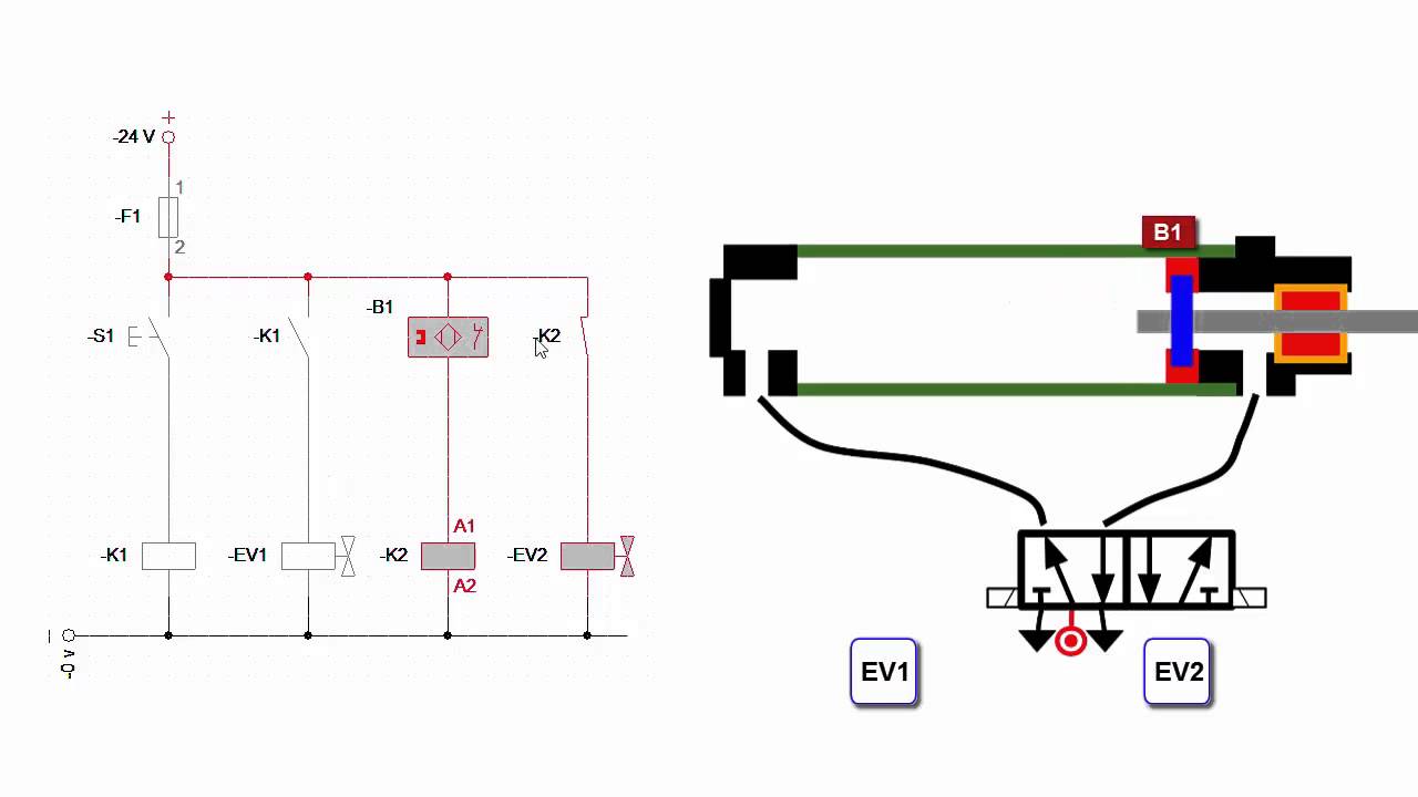
Control cilindro multiposición

Secuencia de control con lógica cableada en cilindro multiposición.

Comments
  • Convertir una válvula 5/2 vías en una válvula 3/2 NC o NO 9 лет назад
    Convertir una válvula 5/2 vías en una válvula 3/2 NC o NO
    Опубликовано: 9 лет назад
  • Neumática Industrial, ¿Cómo Trabaja un Sistema Neumático? 6 лет назад
    Neumática Industrial, ¿Cómo Trabaja un Sistema Neumático?
    Опубликовано: 6 лет назад
  • Esquema eléctrico para control Cilindro Doble efecto 9 лет назад
    Esquema eléctrico para control Cilindro Doble efecto
    Опубликовано: 9 лет назад
  • Válvulas de Escape Rápido - 1 5 лет назад
    Válvulas de Escape Rápido - 1
    Опубликовано: 5 лет назад
  • A+B+C+A-B-D+D-C - Método Cascada || Electroneumática 4 года назад
    A+B+C+A-B-D+D-C - Método Cascada || Electroneumática
    Опубликовано: 4 года назад
  • VÁLVULAS NEUMÁTICAS Y CILINDROS NEUMÁTICOS 8 лет назад
    VÁLVULAS NEUMÁTICAS Y CILINDROS NEUMÁTICOS
    Опубликовано: 8 лет назад
  • БЕЗУМНОЕ изобретение от 60-летнего фермера! Бесконечный бесплатный источник от микроволновых тра.... 1 день назад
    БЕЗУМНОЕ изобретение от 60-летнего фермера! Бесконечный бесплатный источник от микроволновых тра....
    Опубликовано: 1 день назад
  • 150 самых захватывающих видеороликов о работе удивительных машин, инструментов и рабочих, запечат... 3 недели назад
    150 самых захватывающих видеороликов о работе удивительных машин, инструментов и рабочих, запечат...
    Опубликовано: 3 недели назад
  • Мужик украл карася, Муму и Герасим, Участковый Сюткин, У губ твоих конфетный вкус - КВН ДАЛС 3 месяца назад
    Мужик украл карася, Муму и Герасим, Участковый Сюткин, У губ твоих конфетный вкус - КВН ДАЛС
    Опубликовано: 3 месяца назад
  • Ремонт импульсного блока питания. Просто и понятно. Часть 1. 11 месяцев назад
    Ремонт импульсного блока питания. Просто и понятно. Часть 1.
    Опубликовано: 11 месяцев назад
  • 30 minutes of silence 11 лет назад
    30 minutes of silence
    Опубликовано: 11 лет назад
  • Задача века решена! 1 год назад
    Задача века решена!
    Опубликовано: 1 год назад
  • Frame TV Art 4K: Tuscan Vineyard Sunset 2 Hour Screensaver for Samsung Frame TV 7 месяцев назад
    Frame TV Art 4K: Tuscan Vineyard Sunset 2 Hour Screensaver for Samsung Frame TV
    Опубликовано: 7 месяцев назад
  • Прозвонка электронной платы шаг за шагом | Подробная инструкция для мастера | Программатор ST-LINK 4 месяца назад
    Прозвонка электронной платы шаг за шагом | Подробная инструкция для мастера | Программатор ST-LINK
    Опубликовано: 4 месяца назад
  • French Paris Chanson🎼Un Voyage Romantique Entre Mélodies Douces et Émotions Sous le Ciel de Paris 🇫🇷 2 месяца назад
    French Paris Chanson🎼Un Voyage Romantique Entre Mélodies Douces et Émotions Sous le Ciel de Paris 🇫🇷
    Опубликовано: 2 месяца назад
  • Cilindro con detector magnetico 11 лет назад
    Cilindro con detector magnetico
    Опубликовано: 11 лет назад
  • Лёгкий способ увеличения/уменьшения напряжения ИБП 2 месяца назад
    Лёгкий способ увеличения/уменьшения напряжения ИБП
    Опубликовано: 2 месяца назад
  • Выращивание помидоров в бутылках на балконе для получения свежих плодов круглый год. 3 недели назад
    Выращивание помидоров в бутылках на балконе для получения свежих плодов круглый год.
    Опубликовано: 3 недели назад
  • Задача из вступительных Стэнфорда 3 года назад
    Задача из вступительных Стэнфорда
    Опубликовано: 3 года назад
  • 🤫ЗАМЕНА microUSB НА USB-C КЛЕЕМ ДЛЯ ПАЙКИ НОВЫЙ ПОДХОД К УСТАНОВКЕ КОМПОНЕНТОВ О КОТОРОМ МОЛЧАТ🤐 1 день назад
    🤫ЗАМЕНА microUSB НА USB-C КЛЕЕМ ДЛЯ ПАЙКИ НОВЫЙ ПОДХОД К УСТАНОВКЕ КОМПОНЕНТОВ О КОТОРОМ МОЛЧАТ🤐
    Опубликовано: 1 день назад

Контактный email для правообладателей: u2beadvert@gmail.com © 2017 - 2026

Отказ от ответственности - Disclaimer Правообладателям - DMCA Условия использования сайта - TOS



Карта сайта 1 Карта сайта 2 Карта сайта 3 Карта сайта 4 Карта сайта 5